YZ35蠕动泵泵头 流量范围0.01~13升/分钟,满足高转速、长时间运行
产品类别:蠕动泵泵头
产品描述:结构紧凑,坚固,能够满足高转速、长时间运行的使用需求
产品简介
■ 雷弗YZ35蠕动泵泵头流量范围0.01~13升/分钟,适合73#、82#软管,可实现多个泵头串联使用;
■ 装卡与压管结构,更换软管简单快捷且软管在运转过程中不会偏移;
■ 压管间隙可根据软管型号进行微调,可适应泵管规格的少量偏差;
■ PPS材质泵壳,304不锈钢滚轮,耐有机溶剂和其他腐蚀性液体;
■ 结构紧凑,坚固,能够满足高转速、长时间运行的使用需求;
■ 两个泵头串联时,将滚轮之间呈60°错位安装,可明显降低脉动,并提高传输速度。
技术参数
• 壳体:PPS
• 滚轮:SS304
• 滚轮轴:SS304
• 转速范围:0.1~600rpm
• 流量范围:0.01~13升/分钟
• 软管规格:73#、82#
• 滚轮数:3个
• 间隙调整:可微调
• 颜色:黑色
• 可承受液体温度:200℃以内
• 耐腐蚀性能:耐绝大多数的酸碱盐液体及有机溶剂
流量参数
软管材质 : Silicone、Pharmed、Norprene Chemical、Viton、A-60-G/F、 Tygon 3603 等 | ||
内径ID(mm) | 9.6 | 12.7 |
软管型号 | 73# | 82# |
毫升/转 | 13 | 21 |
毫升/分(连续运行转速600rpm) | 8000 | 13000 |
以上流量数据是在常温常压下打纯净水测试所得,实际使用受压力、介质特性等具体因素影响,仅供参考。

蠕动泵软管寿命比照表

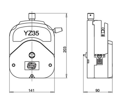
安装尺寸图(单位:mm)
雷弗YZ35泵头材料说明
雷弗YZ35蠕动泵泵头采用PPS塑料 (聚苯硫醚) 英文名称:Phenylene sulfide。是一种综合性能的热塑性特种工程塑料,其突出的特点是耐高温,耐腐蚀和优越的机械性能。
一、耐热性能: PPS具有的热性能,其熔点超过280℃,热变形温度超过260℃,短期可耐260℃,并可在200℃下长期使用。
二、超强的抗腐蚀性和抗有机溶剂特性:PPS的特点之一为耐化学腐蚀性好,其化学稳定性能仅次于PTFE(聚四氟乙烯);PPS对大多酸、酯、酮、醛、酚及脂肪烃、芳香烃、氯代烃等稳定,目前尚未发现可在200℃以下溶解聚苯硫醚的溶剂,对无 机酸、碱和盐类的抵抗性极强。
三、PPS刚性极强,表面硬度高,俗称金属塑料,在负荷下具有的耐蠕变性和耐疲劳性。
累计评价
0